PROYECTOS ESPECIALES

IESE, 2015
shadow

- Consultoría para nuevos desarrollos
- Consultoría para migración a nuevas tecnologías
- Casas y oficinas inteligentes. DOMÓTICA
- Sistemas de iluminación LED
- Mantenimiento de Instalaciones Eléctricas
- Mantenimiento de equipos e instalaciones.
- Mantenimiento de maquinas, equipos e instalaciones y todos los sistemas aplicados a la producción, procesamiento o control.

Consulte por otros requerimientos específicos

Otras Secciones

Ingeniería de Proyectos

Calidad y excelencia de un soporte técnico especializado, .
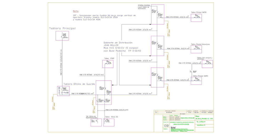
Tableros Eléctricos

Nos dedicamos a la provisión de servicios integrales para tableros eléctricos.
Automatización y Control Industrial

Nuestra intervención puede realizarse en el comienzo mismo del proyecto.
Montaje Electromecánico

En iese contamos con personal idóneo para realizar trabajos bajo las reglas vigentes del buen arte.